Jamukah
Themenstarter
Wahrscheinlich wieder eine "dämliche" Frage - habe aber echt nichts passendes in SUFU gefunden....
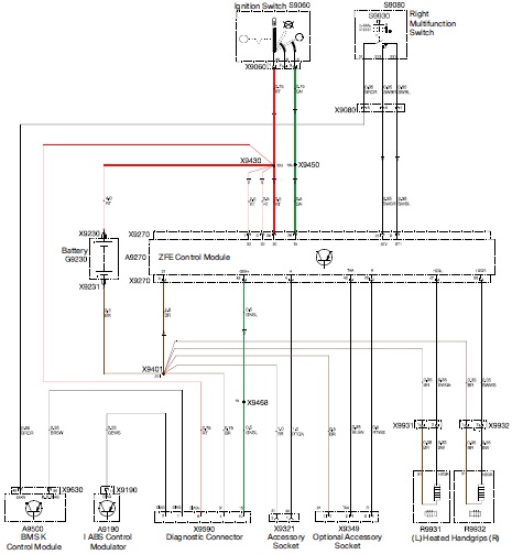
Problemstellung: Beim Versuch meine Alten Griffgummis gegen neue (die geriffelten der 1150er) zu tauschen ist mir der Heizdraht an der Gasgriff Seite vollkommen zerissen. Nicht weil ich zu schusselig war sondern weil der Schei..... Gummi komplett und nicht punktuell verklebt war. Ich habe dann einen Konstantandraht besorgt und mittels einem Multimeter den Draht auf die richtige Ohmzahl (9,0 - 9,1 Ohm) abgelängt. Habe den Draht dann an die Kabel rangelötet - aber da heizt trotzdem nichts - auch nicht am linken Griff wo der Draht bei o.g. Aktion nicht gerissen ist.
Fragen:
1. Kann es sein, dass der CAN BUS das "Heizgriff Modul" durch den nicht mehr vorhandenen Heizdraht auf der rechten Seite dann ganz abgeschaltet hat?
2. Kann mit einem GS911 Diagnose Tool das "Heizgriff Modul" gecheckt, bzw. wieder aktiviert werden?
Danke und Gruß
Oli
Problemstellung: Beim Versuch meine Alten Griffgummis gegen neue (die geriffelten der 1150er) zu tauschen ist mir der Heizdraht an der Gasgriff Seite vollkommen zerissen. Nicht weil ich zu schusselig war sondern weil der Schei..... Gummi komplett und nicht punktuell verklebt war. Ich habe dann einen Konstantandraht besorgt und mittels einem Multimeter den Draht auf die richtige Ohmzahl (9,0 - 9,1 Ohm) abgelängt. Habe den Draht dann an die Kabel rangelötet - aber da heizt trotzdem nichts - auch nicht am linken Griff wo der Draht bei o.g. Aktion nicht gerissen ist.
Fragen:
1. Kann es sein, dass der CAN BUS das "Heizgriff Modul" durch den nicht mehr vorhandenen Heizdraht auf der rechten Seite dann ganz abgeschaltet hat?
2. Kann mit einem GS911 Diagnose Tool das "Heizgriff Modul" gecheckt, bzw. wieder aktiviert werden?
Danke und Gruß
Oli





