F
fliegerxxl
Themenstarter
Guten Tag,
auch wenn ich, wie ich eben gerade feststelle, schon fast 2 Jahre dem gs-Forum angehöre, komme ich jetzt erst dazu, einmal allen "Hallo" zu sagen.
Ich hab da nun auch mal eine Frage an die Spezialisten;
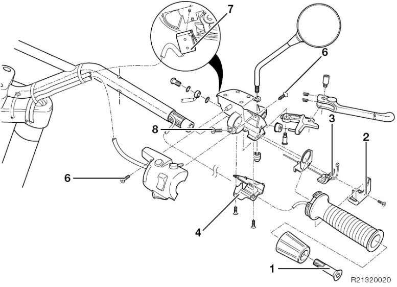
Kann mir jemand sagen, wie man den Gasdrehgriff demontiert?
Ich wollte die Griffgummis wechseln, was mir links auch gut gelang. Rechts war er aber leider vollflächig aufvulcanisiert. Somit habe ich alles, inkl. der Heizdrähte "geschreddert"
Nun durfte ich mir für 91€ einen neuen Gasgriff kaufen. Gut, ich hab's überlebt. Aber ich weiß nicht, wie man das Teil demontiert. Der Tank muss gelöst werden und nach hinten geschoben werden. Das ist schon klar, aber der Griff selber ist mit unklar. Die untere "Schale konnte ich abschrauben, aber die obere, da wo auch der Anlasserknopf rauskommt, ist mit rätselhaft.
Kann da jemand helfen.
ich hab auch in den Foren gesucht, aber nichts passendes gefunden. Verzeiht also, wenn das Thema schon mal angesprochen wurde.
auch wenn ich, wie ich eben gerade feststelle, schon fast 2 Jahre dem gs-Forum angehöre, komme ich jetzt erst dazu, einmal allen "Hallo" zu sagen.
Ich hab da nun auch mal eine Frage an die Spezialisten;
Kann mir jemand sagen, wie man den Gasdrehgriff demontiert?
Ich wollte die Griffgummis wechseln, was mir links auch gut gelang. Rechts war er aber leider vollflächig aufvulcanisiert. Somit habe ich alles, inkl. der Heizdrähte "geschreddert"
Nun durfte ich mir für 91€ einen neuen Gasgriff kaufen. Gut, ich hab's überlebt. Aber ich weiß nicht, wie man das Teil demontiert. Der Tank muss gelöst werden und nach hinten geschoben werden. Das ist schon klar, aber der Griff selber ist mit unklar. Die untere "Schale konnte ich abschrauben, aber die obere, da wo auch der Anlasserknopf rauskommt, ist mit rätselhaft.
Kann da jemand helfen.
ich hab auch in den Foren gesucht, aber nichts passendes gefunden. Verzeiht also, wenn das Thema schon mal angesprochen wurde.




