Roman66
Themenstarter
- Dabei seit
- 04.08.2023
- Beiträge
- 147
Hallo,
ich benötige eine Information wie ich eine INNOVV K6 Dashcam an einer R1200 GS Adventure anschließen kann.
Die Kameras (Frónt/ Rear) haben eine Betriebsspannung von 5V und benötigen ca. 2A. Leistung ist also überschaubar.
Ich habe via Google und auch hier im GS-Forum gesucht, aber nichts wirklich brauchbaren gefunden.
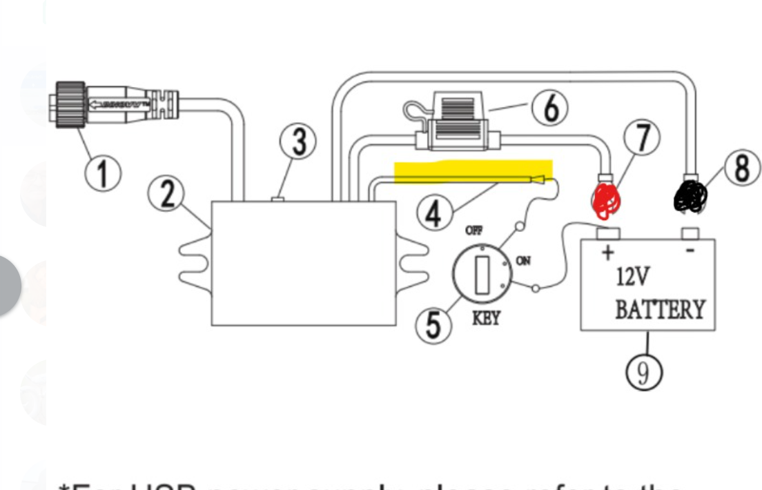
Den Kameras liegt ein 12V-5V Konverter bei und der Schaltplan ist einfach. (Bild)
Plus lege ich an die Batterie und Minus an Masse, das Problem ist, dass ich eine Signalleitung benötige, welche die Kameras ein, bzw. aus-schaltet und das ganze ohne Fehlermeldung des CanBus.
Ich habe hier im Forum, die Information gefunden, dass es verfügbare Carttool Stecker im vorderen rechten Bereich gibt und ir einen kleinen Adapter bestellt. Nachdem der Adapter geliefert war, volle ich ihn anschließen. Leider ist der freie Stecker, den ich gefunden habe, nur zweipolig und somit nicht mit dem 3 Poligen Cartool Stecker kompatibel (Bild)
Eine andere Möglichkeit hat man mir heute beim Freundlichen genannt. Ein Cartool Y-Kabel in den Stecker für die Navivorbereitung hängen und mit an dem freien Stecker die Signalleitung für die Kameras identifizieren.
Wie sieht ihr das? Was wäre/ist die beste und sauberste Lösung?
Danke im Voraus und Gruß-
https://www.amazon.de/dp/B0CJ8PBWSQ?psc=1&ref=ppx_yo2ov_dt_b_product_details
ich benötige eine Information wie ich eine INNOVV K6 Dashcam an einer R1200 GS Adventure anschließen kann.
Die Kameras (Frónt/ Rear) haben eine Betriebsspannung von 5V und benötigen ca. 2A. Leistung ist also überschaubar.
Ich habe via Google und auch hier im GS-Forum gesucht, aber nichts wirklich brauchbaren gefunden.
Den Kameras liegt ein 12V-5V Konverter bei und der Schaltplan ist einfach. (Bild)
Plus lege ich an die Batterie und Minus an Masse, das Problem ist, dass ich eine Signalleitung benötige, welche die Kameras ein, bzw. aus-schaltet und das ganze ohne Fehlermeldung des CanBus.
Ich habe hier im Forum, die Information gefunden, dass es verfügbare Carttool Stecker im vorderen rechten Bereich gibt und ir einen kleinen Adapter bestellt. Nachdem der Adapter geliefert war, volle ich ihn anschließen. Leider ist der freie Stecker, den ich gefunden habe, nur zweipolig und somit nicht mit dem 3 Poligen Cartool Stecker kompatibel (Bild)
Eine andere Möglichkeit hat man mir heute beim Freundlichen genannt. Ein Cartool Y-Kabel in den Stecker für die Navivorbereitung hängen und mit an dem freien Stecker die Signalleitung für die Kameras identifizieren.
Wie sieht ihr das? Was wäre/ist die beste und sauberste Lösung?
Danke im Voraus und Gruß-
https://www.amazon.de/dp/B0CJ8PBWSQ?psc=1&ref=ppx_yo2ov_dt_b_product_details
Anhänge
-
2,1 MB Aufrufe: 246
-
206 KB Aufrufe: 266




