F
fliegerxxl
Themenstarter
Hallo zusammen,
ich bekam den Tip, meine Frage hier noch einmal zu stellen.
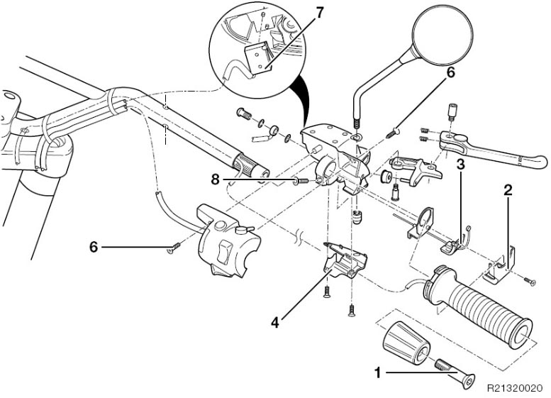
Also, kann mir jemand "sagen", wie man bei der 1150 gs die Gasdrehgriffeinheit demontiert?
Nicht nur den Griffgummi, sondern das ganze Teil. Die untere Verkleidungsschale hatte ich schon mal ab. Aber die obere, (wo auch der Anlasserknopf rausschaut) bekomme ich nicht ab. Ich will da nichts beschädigen. Die Mimik hat bei BMW schon 91 EUR gekostet
Will nicht noch mehr Geld verbrennen.
Ich habe mir sogar eine Reparaturanleitung gekauft. Nun könnte ich theoretisch die ganze Maschine zerlegen. Aber wie so ein Griff abgebaut wird, steht nicht drinn
Gruß und ein schönes restliches Osterfest an alle.
ich bekam den Tip, meine Frage hier noch einmal zu stellen.
Also, kann mir jemand "sagen", wie man bei der 1150 gs die Gasdrehgriffeinheit demontiert?
Nicht nur den Griffgummi, sondern das ganze Teil. Die untere Verkleidungsschale hatte ich schon mal ab. Aber die obere, (wo auch der Anlasserknopf rausschaut) bekomme ich nicht ab. Ich will da nichts beschädigen. Die Mimik hat bei BMW schon 91 EUR gekostet
Will nicht noch mehr Geld verbrennen.Ich habe mir sogar eine Reparaturanleitung gekauft. Nun könnte ich theoretisch die ganze Maschine zerlegen. Aber wie so ein Griff abgebaut wird, steht nicht drinn

Gruß und ein schönes restliches Osterfest an alle.




