Skywalker_Berlin
... gibt es denn hier nun schon erste Erfahrungen?
Immerhin sind wir einen Monat weiter und wir sind alle sehr gespannt
Immerhin sind wir einen Monat weiter und wir sind alle sehr gespannt






. Die Frage ist was passiert wenn Du mal mehr mit der Gabel einfederst? Bricht das obere Teil dann oder rutsche es komplett nach unten da ja nur mit Kabelbinder festgemacht ist. Evtl. statt Kabelbinder nur mit Gummis so das es bei Kontakt nur nach unten rutscht. Wia gsagt, nur so a Idee.





Ist durchaus möglich, bei passender Materialauswahl und Konstruktion bei solchen Teilen aber nicht nötig.Aber wäre es nicht möglich, Metalleinleger zu "umdrucken",
um mehr Stabilität zu erzielen?

Wenn man das Teil an einem Stück drucken will, ist das eben eine systembedingte Schwachstelle als solche, aber gerade so abbrechen muss auch nicht sein, da hat jemand beim Einstellen des Druckers nicht recht aufgepasst. Und das wiederum können mehrere Ursachen sein (Temperatur, Geschwindigkeit, Layerdicke und und und)...
Sah so aus, als wurden die Ecken auf das flache Teil aufgedruckt

... da bin ich aber gespannt, wie Du das machen willst und was das mit dem Material als solchem zu tun hat.Ist durchaus möglich, bei passender Materialauswahl und Konstruktion bei solchen Teilen aber nicht nötig.






Hallo Michi, wie weit bist du den damit? Auch ein Stresstest/Dauertest unterzögen? Hast du welche die du verkaufen kannst? Ich möchte gern ein Stk. haben.Hallo
Habe den gedruckte Halter heute schon bekommen, und festgestellt, das die Ecken zur Befestigung anscheinend im Nachhinein aufgedruckt wurden.
Die sind nach leichter Beanspruchung sofort abgebrochen.
Also wurden von mir 2 Aluminium Ecken ausgesägt und mit je 2 Schrauben von oben befestigt.
Die Löcher an den Ecken sind für die Kabelbinder um die Gabel.
Anhang anzeigen 352889
Dann wurde das Konstrukt eingebaut.
Anhang anzeigen 352890
Und mit Kabelbinder Gesichert, der Steg greift li. und re. In die Nut der Gabel ein.
Anhang anzeigen 352891
So jetzt noch die Abdeckung. Von oben verschraubt , was etwas fummelig ist.
Anhang anzeigen 352892
Die Abdeckung wurde vorher noch erwähnt , und nach unten gebogen.
Anhang anzeigen 352893
Von oben mit verschraubten Halter.
Anhang anzeigen 352894
Von unten.
Leider hat die Sache einen Haken, an den ich nicht gedacht habe, da die Abdeckung am Standrohr befestigt wird, federt diese natürlich mit, was noch kein Problem darstellt.
Aber der Federweg ist jetzt begrenzt , was nach heutiger Fahrt auf der Strasse noch super funktioniert.
Im Gelände wird das leider etwas anders aussehen .
Andere Hersteller haben dies natürlich mit ihren up side down Gabeln nicht.
Darum hat BMW wohl nix rein gemurkst
Nun zum Fazit.
Es kommt kaum noch Wind über den Tunnel hoch, getestet immer bei ca 100kmh.
Wie eigentlich gewünscht sind abgehakte Windgeräusche nahezu völlig verschwunden (kleines Windschild ganz unten)
Geräusche, na ja sollen auch weniger ankommen, ist aber nicht leicht dies zu Beurteilen, da mein Angel GT2 ohnehin sehr leise ist.
Gruß

Hi MichiH,So
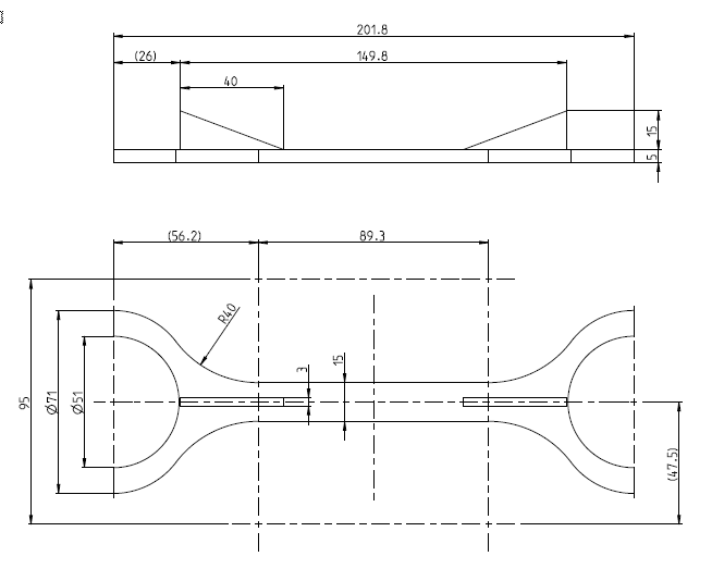
Nun ist das 3D Modell fertig, und kann in den Druck
Anhang anzeigen 344949
Anhang anzeigen 344946