

Wofür ist das gut ????Hallo zusammen,
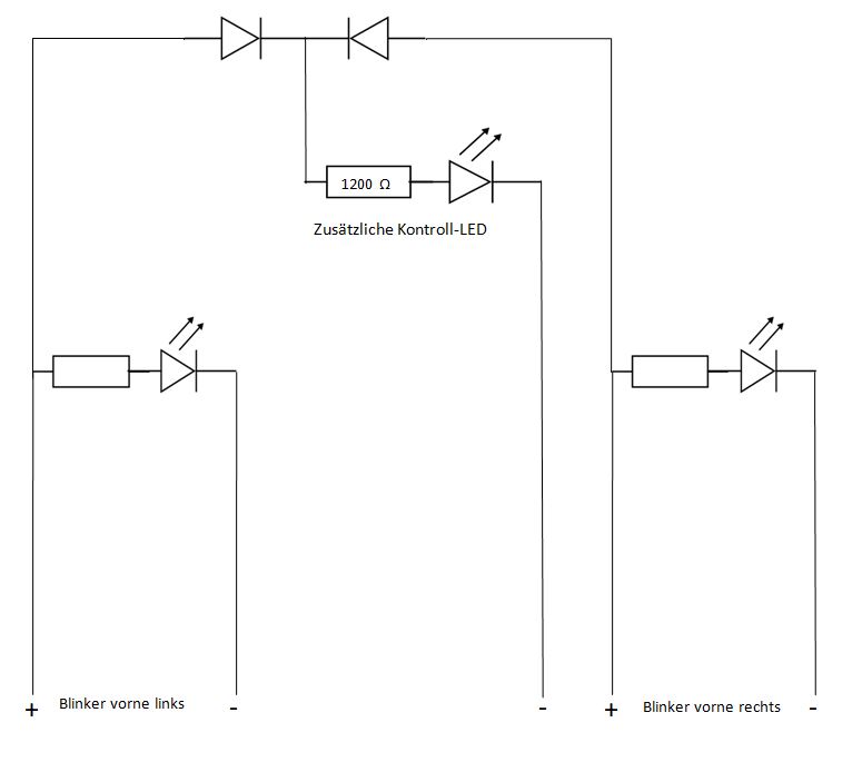
ich möchte eine zusätzliche "Blinker-Kontroll-LED" einbauen. Würde das so funktionieren ohne den CAN-BUS zu beeinflussen?
Anbei mein Plan.
Gruss Dirk

Steht in der Eröffnung, eine zusätzliche Blinker LED.Wofür ist das gut ????

