Morg
Themenstarter
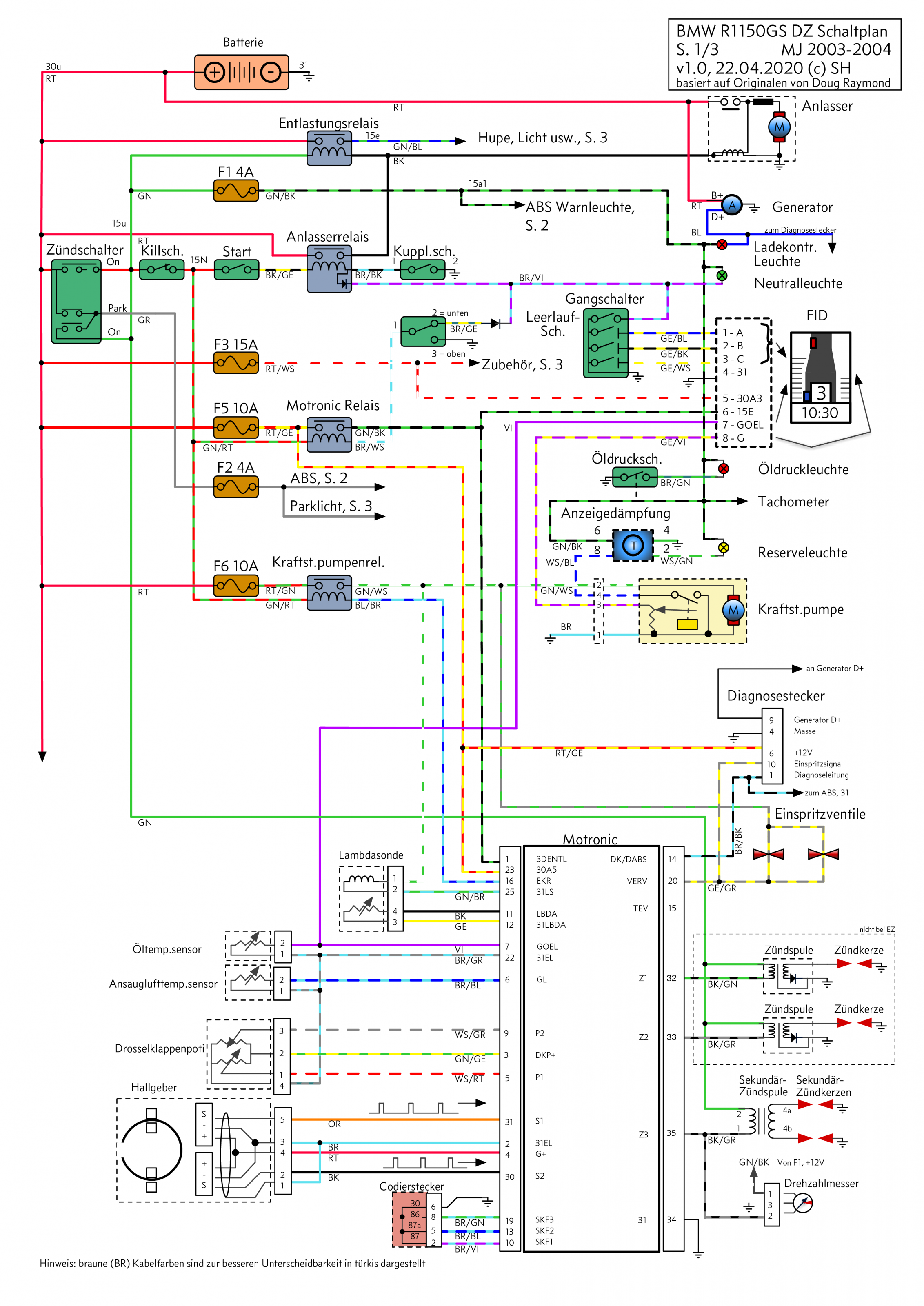
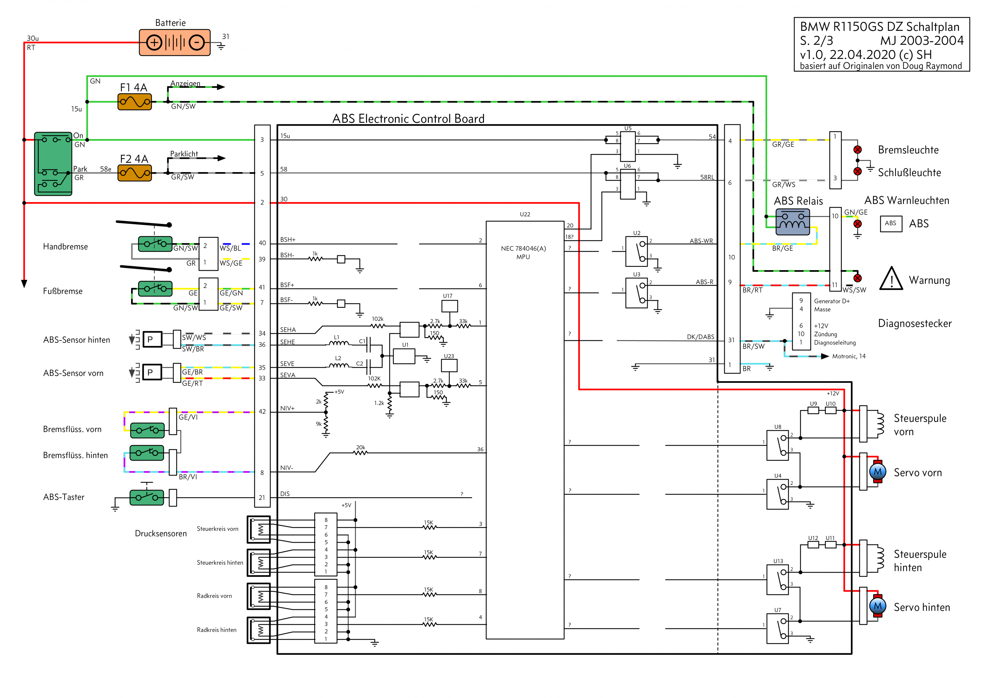
Moin,
auf der Suche nach vernünftigen Schaltplänen der DZ mit iABS habe ich bisher nichts finden können. Die BMW-Schaltpläne bekommt man beim Freundlichen, aber soweit ich das bisher sehen konnte, nur für MJ 2000, also EZ. Andere Schaltpläne habe ich bisher nicht - vernünftig - auftreiben können.
Es gibt verschiedene "homemade"-Werke zB zur R1150RT, u.a. die von Doug Raymond. Die haben mir ganz gut gefallen, aber sie sind stellenweise - durch die anderen Systeme der RT - etwas überfrachtet.
Ich habe mich mal hingesetzt, und die im Internet verfügbaren Pläne genommen und zum Großteil neu gezeichnet. Da diese auf den Werken von Doug basieren, habe ich einen entsprechenden Copyright-Vermerk mit aufgenommen; ansonsten sind die Informationen mit genug Geduld an jeder DZ vor Ort zu finden. Insofern sind diese Werke im Rahmen des Urheberrechts mit Hinweis auf die als Grundlage verwendeten Pläne eigene Werke. Diese stelle ich zur Verwendung und Weitergabe zur Verfügung. Ich würde mich freuen, wenn bei Weitergabe in veränderter Form ein entsprechender Hinweis im Plan verbleibt
Falls jemand von euch was damit anfangen kann - bitte. Ich werde sie mir in A3 ausdrucken und laminiert in die Garage legen, sowas habe ich immer ganz gern griffbereit
PS: Achso, wenn doch noch Fehler drin sein sollten, nehme ich entsprechende Hinweise gern entgegen
auf der Suche nach vernünftigen Schaltplänen der DZ mit iABS habe ich bisher nichts finden können. Die BMW-Schaltpläne bekommt man beim Freundlichen, aber soweit ich das bisher sehen konnte, nur für MJ 2000, also EZ. Andere Schaltpläne habe ich bisher nicht - vernünftig - auftreiben können.
Es gibt verschiedene "homemade"-Werke zB zur R1150RT, u.a. die von Doug Raymond. Die haben mir ganz gut gefallen, aber sie sind stellenweise - durch die anderen Systeme der RT - etwas überfrachtet.
Ich habe mich mal hingesetzt, und die im Internet verfügbaren Pläne genommen und zum Großteil neu gezeichnet. Da diese auf den Werken von Doug basieren, habe ich einen entsprechenden Copyright-Vermerk mit aufgenommen; ansonsten sind die Informationen mit genug Geduld an jeder DZ vor Ort zu finden. Insofern sind diese Werke im Rahmen des Urheberrechts mit Hinweis auf die als Grundlage verwendeten Pläne eigene Werke. Diese stelle ich zur Verwendung und Weitergabe zur Verfügung. Ich würde mich freuen, wenn bei Weitergabe in veränderter Form ein entsprechender Hinweis im Plan verbleibt

Falls jemand von euch was damit anfangen kann - bitte. Ich werde sie mir in A3 ausdrucken und laminiert in die Garage legen, sowas habe ich immer ganz gern griffbereit

PS: Achso, wenn doch noch Fehler drin sein sollten, nehme ich entsprechende Hinweise gern entgegen

Attachments
-
2.9 MB Views: 215
-
2.4 MB Views: 158
-
2.4 MB Views: 170

