Heizgriff links Stufe 1 warm aber Stufe 2 kalt?!

Diskutiere Heizgriff links Stufe 1 warm aber Stufe 2 kalt?! im R 1200 GS und R 1200 GS Adventure Forum im Bereich Motorrad Modelle; Moin, habe gerade ein etwas merkwürdiges Phänomen an meiner Q: Der linke Griff wird auf Stufe 1 warm, bleibt auf Stufe 2 aber kalt. Hat das auch...
G

Glenfiddich

Themenstarter
Dabei seit
12.06.2016
Beiträge
322
Modell
BMW R1200GS (MÜ) & Moto Guzzi V100S
Moin,

habe gerade ein etwas merkwürdiges Phänomen an meiner Q: Der linke Griff wird auf Stufe 1 warm, bleibt auf Stufe 2 aber kalt. Hat das auch schonmal jmd gehabt?

Fehlerspeicher zeigt Problem der Spannungsversorgung Griffheizung an. Der rechte Griff war auch schon mal defekt, wurde erneuert und funzt seitdem wie der soll.

Der Schalter sollte vermutlich o.k. sein, wenn der rechte Griff geht und Stufe 1 beim linken Griff auch warm wird? Kann man die Stufe 2 auf Kabelbruch prüfen oder hängt die mit Stufe 1 zusammen? Sonst jmd einen Tip?

Beste Grüße

glenfiddich
 
Daddy Tool

Daddy Tool

Dabei seit
08.02.2016
Beiträge
795
Ort
Bielefeld
Modell
R1200GS 30 Jahre
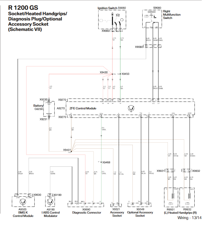
Hmmm. Wenn ich das so richtig sehe, dann wird die Heizleistung durch die ZFE gesteuert. Und die gibt eine unterschiedliche Spannung für die Stufe 1 oder 2 raus.
Somit schließe ich einen Fehler im Handgriff eigentlich aus.
 

Anhänge

G

Glenfiddich

Themenstarter
Dabei seit
12.06.2016
Beiträge
322
Modell
BMW R1200GS (MÜ) & Moto Guzzi V100S
Danke für den Hinweis. Die ZFE stellt die unterschiedlichen Spannungen aber für linken und rechten Griff über den Heizungsschalter zur Verfügung?! Wenn der rechte auf Stufe 2 geht, sollte auch der linke gehen?!:confused:

Grüße glenfiddich
 
Daddy Tool

Daddy Tool

Dabei seit
08.02.2016
Beiträge
795
Ort
Bielefeld
Modell
R1200GS 30 Jahre
Der Schalter gibt den Befehl " Griffheizung Stufe 1 / Stufe 2 " an die ZFE für beide Griffe.

Die ZFE gibt die Signale /Spannung für die Griffe getrennt ab.
 
G

Glenfiddich

Themenstarter
Dabei seit
12.06.2016
Beiträge
322
Modell
BMW R1200GS (MÜ) & Moto Guzzi V100S
Kommen also eher der Schalter oder die ZFE (oder ein Kabelbruch) als Ursache in Frage?! War am WE auf einer längeren Tour und habe immer mal wieder die Griffheizung auf beiden Stufen ausprobiert. Auf der Tour gingen beide Griffe wieder auf beiden Stufen. Spooky:skull:! Wohl irgendwo ein Wackler drin...muß mal länger beobachten...

Danke erstmal für Deine Hilfe. Grüße

glenfiddich
 
Daddy Tool

Daddy Tool

Dabei seit
08.02.2016
Beiträge
795
Ort
Bielefeld
Modell
R1200GS 30 Jahre
Also wenn nur eine Seite ausfällt, dann ist nur die Verkabelung von der ZFE zum Griff, der Griff selber, oder die ZFE defekt.
Wenn es jetzt wieder geht, dann tippe ich auf einen Fehler in der Verkabelung, oder einen wackler im Griff.
 
G

Glenfiddich

Themenstarter
Dabei seit
12.06.2016
Beiträge
322
Modell
BMW R1200GS (MÜ) & Moto Guzzi V100S
Moin,
wollte nur mal kurz Rückmeldung geben: Nachdem der linke Heizgriff auf der letzten WE-Tour komplett ausgefallen ist, habe ich einen neuen drangeschraubt. Funktioniert und Fehlermeldung ist auch verschwunden. War wohl doch ein (an)gebrochenes Kabel von der Heizfolie und nicht der Schalter oder ZFE.
Grüße glenfiddich
 
Thema:

Heizgriff links Stufe 1 warm aber Stufe 2 kalt?!

Heizgriff links Stufe 1 warm aber Stufe 2 kalt?! - Ähnliche Themen

  • Biete R 1200 GS (+ Adventure) Heizgriff links 61 31 8 552 115 / 61 31 8 554 007

    Heizgriff links 61 31 8 552 115 / 61 31 8 554 007: Biete 2 Heizgriffe an. Jeweils linke Seite. Die beiden Griffe haben diese Teilenummern 61 31 8 552 115 61 31 8 554 007 Passen laut Teilekatalog...
  • Erledigt R 1200 GS K25 Heizgriff links

    R 1200 GS K25 Heizgriff links: Hallo, ich suche für die 1200 GS meiner Frau einen Heizgriff links. Gruß Bernd
  • Bitte um Hilfe/Anleitung zur Erneuerung des linken Heizgriffes bei einer 2009er GS

    Bitte um Hilfe/Anleitung zur Erneuerung des linken Heizgriffes bei einer 2009er GS: Hallo zusammen, ich habe jetzt allerhand Forenbeiträge zu den Heizgriffen gelesen. Allerdings werde ich nicht schlau aus den Beschreibungen...
  • Erledigt Heizgriff links (Heizfkt. defekt), 7 702 381, ab 1 €

    Heizgriff links (Heizfkt. defekt), 7 702 381, ab 1 €: Hallo, ich habe einen gebrauchten Heizgriff einer R 1200 GS von 2008 (MÜ), 30 tkm, abzugeben. Leider ist die Heizfunktion ausgefallen. Wer damit...
  • Erledigt BMW Kombischalter Lenkerarmatur ESA ASC Heizgriffe rechts links

    BMW Kombischalter Lenkerarmatur ESA ASC Heizgriffe rechts links: Habe an meiner "neuen" GS 1200 K25 die Kombischalter getauscht. Die Maschine ist zwar nur 50TKm gelaufen, leider hat der Vorbesitzer unter einer...
  • BMW Kombischalter Lenkerarmatur ESA ASC Heizgriffe rechts links - Ähnliche Themen

  • Biete R 1200 GS (+ Adventure) Heizgriff links 61 31 8 552 115 / 61 31 8 554 007

    Heizgriff links 61 31 8 552 115 / 61 31 8 554 007: Biete 2 Heizgriffe an. Jeweils linke Seite. Die beiden Griffe haben diese Teilenummern 61 31 8 552 115 61 31 8 554 007 Passen laut Teilekatalog...
  • Erledigt R 1200 GS K25 Heizgriff links

    R 1200 GS K25 Heizgriff links: Hallo, ich suche für die 1200 GS meiner Frau einen Heizgriff links. Gruß Bernd
  • Bitte um Hilfe/Anleitung zur Erneuerung des linken Heizgriffes bei einer 2009er GS

    Bitte um Hilfe/Anleitung zur Erneuerung des linken Heizgriffes bei einer 2009er GS: Hallo zusammen, ich habe jetzt allerhand Forenbeiträge zu den Heizgriffen gelesen. Allerdings werde ich nicht schlau aus den Beschreibungen...
  • Erledigt Heizgriff links (Heizfkt. defekt), 7 702 381, ab 1 €

    Heizgriff links (Heizfkt. defekt), 7 702 381, ab 1 €: Hallo, ich habe einen gebrauchten Heizgriff einer R 1200 GS von 2008 (MÜ), 30 tkm, abzugeben. Leider ist die Heizfunktion ausgefallen. Wer damit...
  • Erledigt BMW Kombischalter Lenkerarmatur ESA ASC Heizgriffe rechts links

    BMW Kombischalter Lenkerarmatur ESA ASC Heizgriffe rechts links: Habe an meiner "neuen" GS 1200 K25 die Kombischalter getauscht. Die Maschine ist zwar nur 50TKm gelaufen, leider hat der Vorbesitzer unter einer...
  • Oben