Cerberos
- Dabei seit
- 19.11.2020
- Beiträge
- 4
- Modell
- BMM GS 1250 Adventure
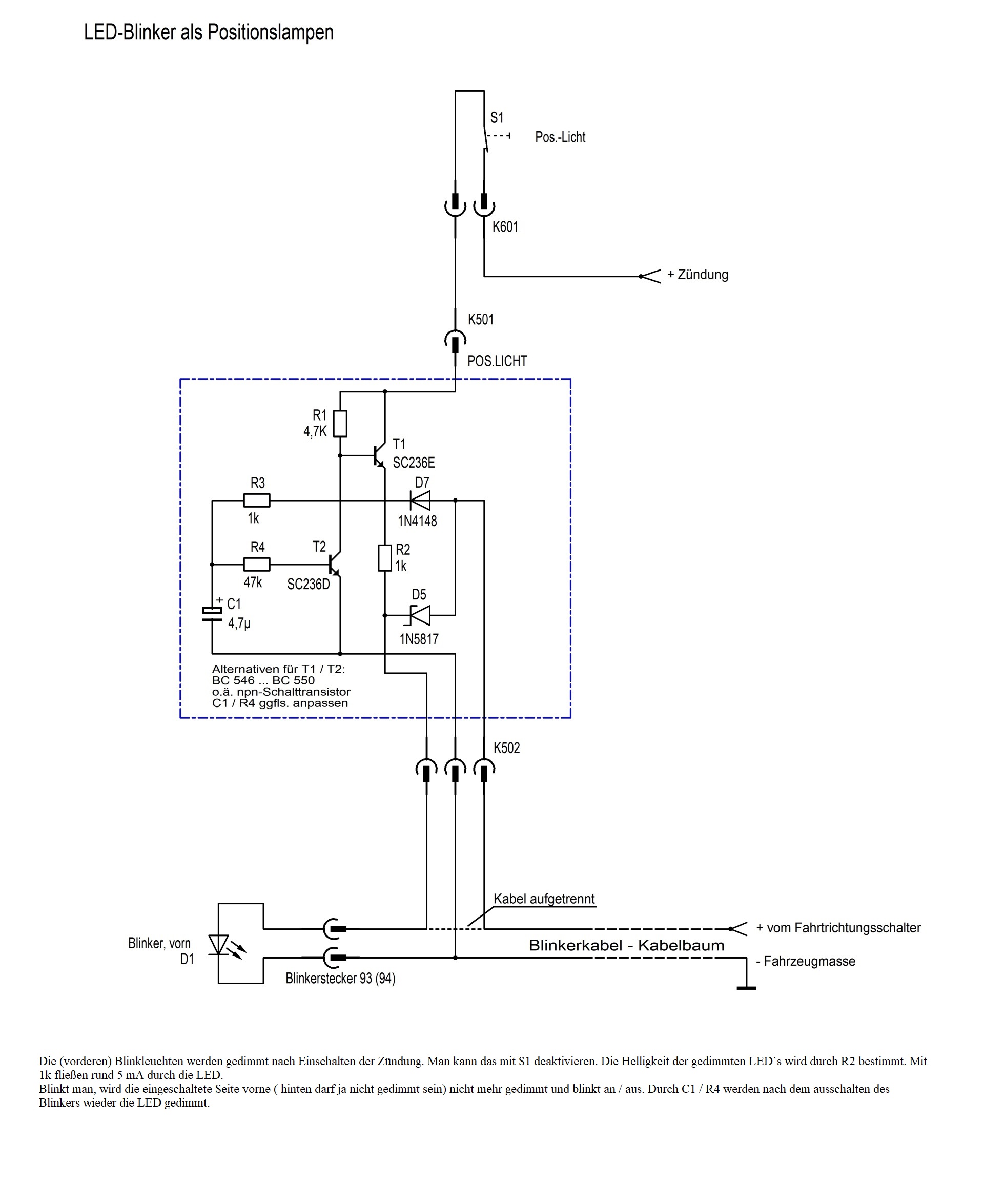
Das umrüsten der Blinker und des Scheinwerfer würde mich auch interessieren.
Zumal die hintern Blinker auch als Bremslicht funktionieren.
Zumal die hintern Blinker auch als Bremslicht funktionieren.




